熱門關鍵詞:
咨詢熱線
13528624625
13528624625
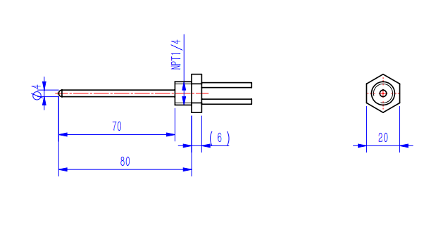
K型螺紋Ф4*70MM熱電偶帶螺牙
型號:K型-Ф4螺紋長探頭式
材質:四氟線屏蔽線
測溫范圍:0-300度
K型螺紋Ф3MM熱電偶主要用于各類設備模具的測溫,產品采用進口一級精度的測溫導線、測溫頭全部用銅的材質、管體采用304不繡鋼,以保證良好的測溫精度和使用壽命。主用適用于熱流道模具、和空間較小的機械設備。


分 度 號:K、E、J、N型
精度等級:1級 、2級
產品規格:Ф1~2~3、Ф4~5~8
溫度范圍:0-400℃ 0-600℃ 0-800℃
引線規格:屏蔽線、鐵氟龍線、玻纖線0.5m-20m
其他:支持各類規格產品非標定制
產品結構
各種熱電偶的外形常因需要而不相同,但基本結構大致相同,由熱電極、絕緣套保護管和接線盒等主要部分組成,通常和顯示儀表、記錄儀表及電子調節器配套使用。
各類非標系列:各類非標規格,按圖紙,按要求定制。
立林電熱主營產品:模具電熱管、單頭加熱管、雙頭電熱管、u型加熱管、工業電熱管、304不銹鋼翅片管、加熱圈發熱圈、搪瓷發熱板、耐高溫特氟龍管,熱電偶,鉑電阻等。聯系電話:13528624625 舒先生